Mounting Socket for Interchangeable Couplers on OO Stock
(Commonly called “NEM Pockets”)
Standard Adopted June 2007
(All dimensions in mm)
1. Purpose
The coupler pockets allow the fitting or exchange of different types of couplings on an item of OO rolling stock, so long as the couplings have the necessary fastenings on the end.
2. Method
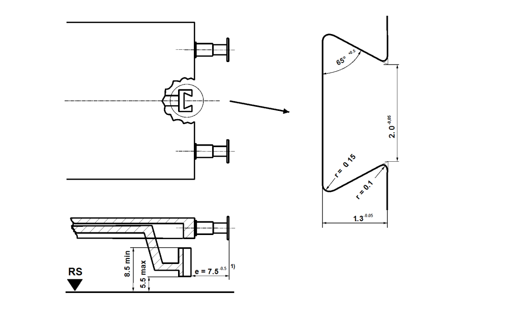
A: Standard Pocket (also known as NEM 362)
The position of the coupler pockets and their mounting on the model vehicle is shown in the sketches:
Note 1) This measurement is only binding when the coupling shaft is operated in conjunction with a Close Coupling mechanism. For other methods, a distance, sufficient to allow for free operation with other vehicles, should be used. In the case of other parts of a vehicle protrude in front of the buffers, e.g. corridor connections, the distance at ‘e’ above should be measured from this point of protrusion.
The coupling heads for use with this pocket have a flexible, split, swallow tailed end, which will automatically engage when the coupling is inserted into the socket and pushed home.
Scale | a | b | e | f | n |
4mm (OO) | 3.2 (-0.1) | 1.75 (-0.05) | 7.5 (-0.5) | 7.1 (-0.1) | 8.5 (+/-0.2) |
This pocket corresponds to that described in MOROP’s datasheet NEM362, and in case of any conflict, the values and measurements given in that document for HO should be considered as also definitive for 4mm stock
B: Special Mount for Models where Space is restricted (NEM363)
The coupler socket, its mounting on the model vehicle and the form of the tail of the coupler are shown in the sketches:
Note 1) This measurement is only binding when the coupling shaft is operated in conjunction with a Close Coupling mechanism. For other methods, a distance, sufficient to allow for free operation with other vehicles, should be used. In the case of other parts of a vehicle protrude in front of the buffers, e.g. corridor connections, the distance at ‘e’ above should be measured from this point of protrusion.
The couplings have a fishtail end that can be inserted either from above, or below, into the mounting socket beneath the vehicle. The shape of the socket allows for flexibility in the adjustment of the height of the coupling whilst holding the coupling firm.
This pocket corresponds to that described in MOROP’s datasheet NEM363, and in case of any conflict, the values and measurements given in that document for HO should be considered as also definitive for 4mm stock
